OERキャブレターのパーツ
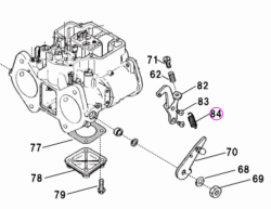
(図面84番)
スロットルレバーのリターンスプリング。
50や旧45・47のサイドリターンスプリング(ブラケットタイプ)キャブに採用。
*OERキャブレターのパーツは在庫置いていません、全て取り寄せになります。
メーカーの在庫状況によりお届けまでに時間が掛かる場合があります、予め御了承下さい。
(メーカーに在庫有れば約1週間位で当方に便で入荷します)

◆表示価格は1個の価格です。
◆予告無く価格変更・仕様変更・生産/販売中止の場合があります。予め御了承下さい。
























